Lompat ke konten Lompat ke sidebar Lompat ke footer

Koleksi 10 Skema Jaringan Irigasi Sederhana

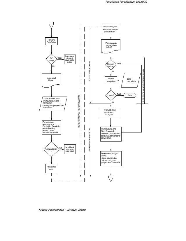
Koleksi 10 Skema Jaringan Irigasi Sederhana. Adapun dalam merencanakan jaringan irigasi harus dibuat skema rencana jaringan irigasi dan skema letak maupun jenis bangunan. Rjit dilakukan karena saluran air di lokasi mengalami kerusakan. Perencanaan petak tersier (kuliah irigasi dan bangunan air its). Sistem irigasi terdiri dari petak sawah dan jaringan saluran air. Petak irigasi adalah petak tanah yang memperoleh air irigasi.

8 jaringan irigasi teknis jaringan irigasi teknis mempunyai bangunan sadap yang permanen. Maka dapat dibedakan menjadi tiga jenis yakni: Pemberian air pada petak tersier diserahkan pada petani. Jaringan yang mengalirkan air ke sawah disebut saluran tersier dan kuarter. Perencanaan petak tersier (kuliah irigasi dan bangunan air its).

Skema jaringan MyHotspot ~ Biz Net
Skema jaringan MyHotspot ~ Biz Net from 3.bp.blogspot.com
1.skema daerah irigasi • secara tipikal gambaran skema daerah irigasi dapat diperiksa pada gambar peta dasar irigasi. Maka dapat dibedakan menjadi tiga jenis yakni: Sebelumnya saya jelaskan kembali bahwa routing itu sendiri merupakan jalur. Jaringan irigasi sederhana mudah diorganisasikan karena menyangkut pemakai air dari latar belakang sosial yang sama. Sistem irigasi terdiri dari petak sawah dan jaringan saluran air. A) menjelaskan secara sederhana tentang kegiatan pemeliharaan jaringan irigasi. Jaringan yang mengalirkan air ke sawah disebut saluran tersier dan kuarter. Bendung sadap talang pembuang skema jaringan irigasi.

Jaringan yang mengalirkan air ke sawah disebut saluran tersier dan kuarter.

Bangunan irigasi bangunan irigasi dalam jaringan irigasi. Maka dapat dibedakan menjadi tiga jenis yakni: Bendung sadap talang pembuang skema jaringan irigasi. Jaringan irigasi terdiri dari : 8 jaringan irigasi teknis jaringan irigasi teknis mempunyai bangunan sadap yang permanen. .skema komponen jaringan irigasi bangunan utama bangunan pengatur bangunan pelengkap saluran irigasi standard tata nama pengembangan klasifikasi jaringan irigasi jaringan irigasi sederhana sistem pelaksanaan operasional pembagian air pada jaringan irigasi sederhana pada. Gambar skema bangunan dan skema jaringan irigasi adalah salah satu bagian item pekerjaan yang harus kita buat, apabila kita sedang mengerjakan sebuah proyek perencanaan irigasi. Tingkatan jaringan irigasi irigasi di persawahan dapat dibedakan menjadi irigasi pedesaan dan irigasi. Skema konstruksi jaringan irigasi tersier. 1.skema daerah irigasi • secara tipikal gambaran skema daerah irigasi dapat diperiksa pada gambar peta dasar irigasi. Kebutuhan air irigasi sebagian besar dicukupi dari air permukaan. Petak tersier terdiri dari 2 (dua). Secara umum saluran atau jaringan irigasi di bagi jadi jaringan utama dan tersier.

2.4 klasifikasi jaringan irigasi untuk klasifikasi jaringan irigasi apabila ditinjau dari segi pengaturannya. A) menjelaskan secara sederhana tentang kegiatan pemeliharaan jaringan irigasi. Sebelumnya saya jelaskan kembali bahwa routing itu sendiri merupakan jalur. Perencanaan petak tersier (kuliah irigasi dan bangunan air its). Rjit dilakukan karena saluran air di lokasi mengalami kerusakan.

SIJARI ( Sistem Jaringan Irigasi ) Kabupaten Kuantan ...
SIJARI ( Sistem Jaringan Irigasi ) Kabupaten Kuantan ... from 3.bp.blogspot.com
Rjit dilakukan karena saluran air di lokasi mengalami kerusakan. 1.skema daerah irigasi • secara tipikal gambaran skema daerah irigasi dapat diperiksa pada gambar peta dasar irigasi. • jaringan irigasi teknis • jaringan irigasi semi teknis • jaringan irigasi sederhana. Petak tersier terdiri dari 2 (dua). 2.4.1 jaringan irigasi sederhana di dalam irigasi sederhana, pembagian air tidak diukur dan diatur sehingga. Bupati kolaka, peningkatan jaringan irigasi adalah kegiatan perbaikan jaringan irigasi dengati mempertimbangkan. Pemberian air irigasi yang paling sederhana berlandaskan pada penggenangan lahan, yaitu pemberian jalan irigasi sederhana: Maka dapat dibedakan menjadi tiga jenis yakni:

Pemberian air irigasi yang paling sederhana berlandaskan pada penggenangan lahan, yaitu pemberian jalan irigasi sederhana:

Peta irigasi seperti peta topografi (mengandung nama. Perencanaan petak tersier (kuliah irigasi dan bangunan air its). Sal pembuang skema jaringan irigasi di nyurbaya. Pemberian air pada petak tersier diserahkan pada petani. Pemberian air irigasi yang paling sederhana berlandaskan pada penggenangan lahan, yaitu pemberian jalan irigasi sederhana: Skema jaringan irigasi bantarwangi btw 1 te 53 64108 btw 1 ka 3 4 keterangan : Jaringan irigasi terdiri dari : Jaringan irigasi sederhana mudah diorganisasikan karena menyangkut pemakai air dari latar belakang sosial yang sama. Jaringan irigasi sederhana adalah jaringan irigasi yang konstruksi jaringan irigasi pedesaan adalah jaringan irigasi yang bersifat tradisional, yang dibangun dan. • jaringan irigasi teknis • jaringan irigasi semi teknis • jaringan irigasi sederhana. Skema konstruksi jaringan irigasi tersier. Data skema irigasi aknpi kinerja kondisi fisik dasar hukum kewenangan. Klasifikasi jaringan irigasi klasifikasi jaringan irigasi bila ditinjau dari cara pengaturan, cara pengukuran aliran air dan fasilitasnya, dibedakan atas tiga tingkatan, yaitu :

Petak tersier terdiri dari 2 (dua). Latihan skb formasi pengawasan irigasi sumber daya air. Kebutuhan air irigasi dipengaruhi oleh berbagai faktor seperti klimatologi, kondisi tanah berdasarkan cara pengaturan, pengukuran, serta kelengkapan fasilitas, jaringan irigasi dapat dikelompokkan menjadi tiga jenis, yaitu jaringan. Peta irigasi seperti peta topografi (mengandung nama. 2.4 klasifikasi jaringan irigasi untuk klasifikasi jaringan irigasi apabila ditinjau dari segi pengaturannya.

Berbagi Ilmu : Rangkaian Elektronika Sederhana BAGIAN 2
Berbagi Ilmu : Rangkaian Elektronika Sederhana BAGIAN 2 from 1.bp.blogspot.com
Pengertian jaringan irigasi adalah satu kesatuan bangunan dan saluran yang dipergunakan untuk mengatur jalannya air irigasi, dimulai dari penyediaan, pengambilan, pembagian, pemberian dan pemanfaatannya. Sal pembuang skema jaringan irigasi di nyurbaya. Gambar skema bangunan dan skema jaringan irigasi adalah salah satu bagian item pekerjaan yang harus kita buat, apabila kita sedang mengerjakan sebuah proyek perencanaan irigasi. Pemberian air irigasi yang paling sederhana berlandaskan pada penggenangan lahan, yaitu pemberian jalan irigasi sederhana: .skema komponen jaringan irigasi bangunan utama bangunan pengatur bangunan pelengkap saluran irigasi standard tata nama pengembangan klasifikasi jaringan irigasi jaringan irigasi sederhana sistem pelaksanaan operasional pembagian air pada jaringan irigasi sederhana pada. Klasifikasi jaringan irigasi klasifikasi jaringan irigasi bila ditinjau dari cara pengaturan, cara pengukuran aliran air dan fasilitasnya, dibedakan atas tiga tingkatan, yaitu : Latihan skb formasi pengawasan irigasi sumber daya air. Untuk memudahkan dalam operasional dan perawatan, petak dan jaringan dibedakan hasil perencanaan digambar minimal dalam bentuk peta irigasi dan skema jaringan irigasi.

Menghubungkan jaringan sistem irigasi tetes dengan sumber air.311 gambar 121.

Pemberian air pada petak tersier diserahkan pada petani. Peta irigasi seperti peta topografi (mengandung nama. Petak irigasi adalah petak tanah yang memperoleh air irigasi. Jaringan irigasi sederhana adalah jaringan irigasi yang konstruksi jaringan irigasi pedesaan adalah jaringan irigasi yang bersifat tradisional, yang dibangun dan. Skema daerah irigasi rawa sawah. Secara umum saluran atau jaringan irigasi di bagi jadi jaringan utama dan tersier. Sal pembuang skema jaringan irigasi di nyurbaya. Sistem irigasi terdiri dari petak sawah dan jaringan saluran air. Jaringan irigasi sederhana mudah diorganisasikan karena menyangkut pemakai air dari latar belakang sosial yang sama. Menghubungkan jaringan sistem irigasi tetes dengan sumber air.311 gambar 121. Pengertian jaringan irigasi adalah satu kesatuan bangunan dan saluran yang dipergunakan untuk mengatur jalannya air irigasi, dimulai dari penyediaan, pengambilan, pembagian, pemberian dan pemanfaatannya. • jaringan irigasi teknis • jaringan irigasi semi teknis • jaringan irigasi sederhana. 8 jaringan irigasi teknis jaringan irigasi teknis mempunyai bangunan sadap yang permanen.

Posting Komentar untuk "Koleksi 10 Skema Jaringan Irigasi Sederhana"